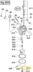
EH12-617 EMPAQUE DRENADOR MOTOR EH12-2
EH12-617 EMPAQUE DRENADOR MOTOR EH12-2
EH12-617 EMPAQUE DRENADOR MOTOR EH12-2

EH12-617 EMPAQUE DRENADOR MOTOR EH12-2

Precio habitual
$0.59
Precio de oferta
$0.59

  • Robin EH12
  • Codigo 236-62450-08
  • Ref. No. 617
  • Unidad (pieza)
  • Refacciones Originales
  • Incluye: No. 617 (Una Pieza)
  • Localizacion 18-11-2