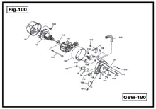
- Fuji GSW-190
- Codigo G100000035
- Ref. No. 118A
- Unidad (Pieza)
- Refacciones Originales
- Incluye (1 pieza)
- Localizacion: Torreon Coah.
Utiliza las flechas izquierda/derecha para navegar por la presentación o deslízate hacia la izquierda/derecha si usas un dispositivo móvil